数模与模数转换

实现模数转换的电路称模数转换器,Analog to Digital Converter
A/D转换

采样: 将时间上连续变化的模拟量转换成时间上离散的模拟量过程
保持: 保持取样信号,使其有充分时间转换为数字信号
量化: 把取样保持电路的输出信号用单位量化电压的整数倍表示。一般有两种方法:只舍不入、有舍有入
编码: 把量化的结果用二进制代码表示
D/A转换

实现数模转换的电路称数模转换器,简称 D/A 转换器或 DAC(Digital to Analog Converter)
权电阻网络DAC
- 不同电阻值的数目;
- 必须确保各个电阻的阻值精确;
- 在输入信号的个数较多时,难以生产
A/D转换
直接A/D转换
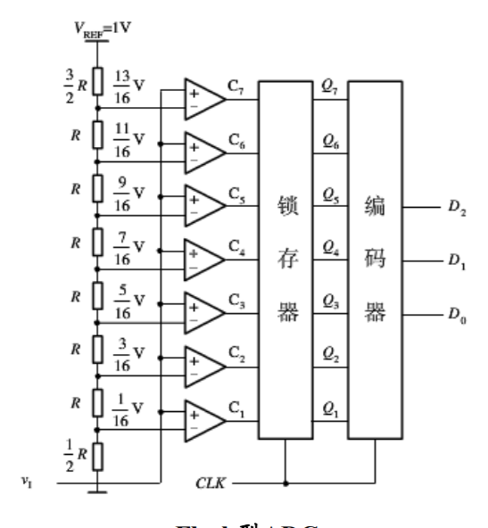
快速(并行/同步)A/D转换器

- 快速,转换时间小于50纳秒;
- 转换一次仅需一个时钟周期;
- 将一个模拟量转换为一个n-bit的数字量,需要 2^n-1个比较器;
- 应用于雷达信号处理,软件无线电技术等高速场合;
逐次逼近型ADC
间接A/D转换
- 先把输入电压转化为时间T2 ,使得T2与输入电压成正比;
- 再把时间T2转化为数字量D,使得数字量D与T2成正比;